
一、ODQC型振动器特点:
1、在空间任意方向安装使用。
2、在管路上加节流阀可调频。
3、使用方便,只需用一根通气管即可。
4、振动力大。
5、寿命长。
6、材质为碳钢和不锈钢两种。
二、 ODQC型振动器结构及作用原理:

打开二位三通电磁阀(常通或常闭),高压气体通过通道5进入活塞下腔如图一。推动活塞上行,活塞上腔气体被挤压通过排气孔排出。当活塞上行到终点时,气体通过槽和气道自动换向使气体进入活塞上腔。如图二。高压气体压活塞下行至终端第一循环结束,第二循环开始,依次不断的往复循环使激振器产生平动和晃动,从而产生振动力。活塞两端是低压区产生背压,故而不撞击。
三、ODQC型振动器技术性能参数:

四、 QJQ3型振动器技术性能参数:
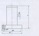
| 振动器型号 | L | Φ1 | Φ2 | Φ3 | 进气口M |
| ODQC-32 | 100 | 70 | 58 | 8 | G1/8" |
| ODQC-40 | 130 | 78 | 66 | 8 | G1/8" |
| ODQC-50 | 130 | 88 | 76 | 8 | G1/8" |
| ODQC-63 | 140 | 108 | 94 | 10 | G1/4" |
| ODQC-80 | 140 | 130 | 115 | 10 | G1/4" |
| ODQC-100 | 150 | 154 | 136 | 12 | G1/4" |
| ODQC-125 | 150 | 185 | 166 | 14 | G1/4" |
| ODQC-140 | 170 | 207 | 186 | 14 | G1/4" |
| ODQC-160 | 200 | 256 | 226 | 18 | G1/2" |
| ODQC-180 | 210 | 284 | 248 | 18 | G1/2" |
| ODQC-200 | 215 | 278 | 278 | 20 | G1/2" |
| 振动器型号 | 振动力(N) | 频率 (Hz) | 耗气量 (L/min) | 噪音 (dB) | 使用温 (℃) | 重 量 (kg) | ||
| 0.3Mpa | 0.4 Mpa | 0.6 Mpa | ||||||
| ODQC-32 | 484 | 720 | 900 | 10-60 | 210 | 65 | -8~70 | 1.2 |
| ODQC-40 | 632 | 980 | 1150 | 10-50 | 250 | 65 | -8~70 | 2 |
| ODQC-50 | 712 | 1050 | 1300 | 10-40 | 270 | 65 | -8~70 | 3.3-3.8 |
| ODQC-63 | 923 | 1230 | 1900 | 10-30 | 310 | 75 | -8~70 | 4 |
| ODQC-80 | 1100 | 1923 | 2400 | 10-25 | 330 | 75 | -8~70 | 5.8 |
| ODQC-100 | 1382 | 2987 | 3880 | 10-22 | 350 | 75 | -8~70 | 8.3 |
| ODQC-125 | 2321 | 3400 | 4500 | 10-20 | 380 | 75 | -8~70 | 12 |
| ODQC-140 | 2578 | 3700 | 5000 | 10-18 | 420 | 75 | -8~70 | 18 |
| ODQC-160 | 3000 | 4000 | 5400 | 12-18 | 460 | 80 | -8~70 | 38 |
| ODQC-180 | 3500 | 4400 | 5800 | 12-16 | 590 | 85 | -8~70 | 45 |
| ODQC-200 | 4000 | 4800 | 6200 | 12-15 | 780 | 89 | -8~70 | 52 |



联系我们
在线留言
服务支持